Suhi železni jedrni serijski reaktor se uporablja predvsem v nizkonapetostnih omarah za kompenzacijo jalove moči, zaporedno s kondenzatorji. V nizkonapetostnih omrežjih s številnimi usmerniki, pretvorniki ali drugimi harmoničnimi viri lahko višji harmoniki močno vplivajo na varno delovanje transformatorjev in druge električne opreme. Ko je zaporedno povezan s kondenzatorji, reaktor učinkovito absorbira harmonike, izboljša kakovost napetostnega valovnega toka, poveča faktor moči sistema in zavira preklopne tokove in prenapetost med delovanjem, kar zagotavlja zanesljivo zaščito kondenzatorjev in izboljšuje splošno stabilnost sistema.
Suhi seriji železni jedro reaktor
1.Uporaba Suhi seriji reaktor z železnim jedrom je zasnovan za omare za kompenzacijo jalove moči nizke napetosti, priključen v zaporedno vezavo s kondenzatorji. V nizkonapetostnih omrežjih, ki vsebujejo enosmerne pretvornike, pretvornike ali druge vire harmonik, lahko višji harmoniki hudo vplivajo na varno delovanje transformatorjev in druge električne opreme. Ko je priključen v zaporedno vezavo s kondenzatorji, reaktor učinkovito absorbira harmonike, izboljša kakovost napetostnega valovanja, poveča faktor moči sistema ter zmanjšuje sunkovite tokove in prenapetosti pri stikanju, s čimer zagotavlja zanesljivo zaščito za kondenzatorje in omogoča stabilnost celotnega sistema.
2.Tehnični podatki
3. Pojasnilo modela Podrobnosti o konvencijah poimenovanja modelov se lahko vstavijo tukaj.

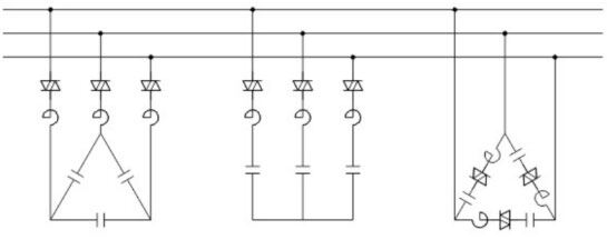
4. Načini priključitve

5. Konstrukcijske značilnosti
6. Delovni pogoji
7. Montažne mere

8. Tehnični parametri
